Another basket case project, but with potentially a different end goal!
- Kawboy
-
- Offline
- Sustaining Member
-
- Posts: 3182
- Thanks: 1162
Re: Another basket case project, but with potentially a different end goal!
5 years 10 months ago
Progress. Nice !!
Please Log in or Create an account to join the conversation.
- StanG
-
- Offline
- Banned
-
- Posts: 1987
- Thanks: 237
Re: Another basket case project, but with potentially a different end goal!
5 years 10 months ago
Looks good Paul!
0ne thing I'd suggest and it would potentially make things easier, but it's not a 'must'. If you remove the swig arm (it should be easy as all is fresh now and be just a 5 minutes job), it will be much easier to attach the drive shaft, especially that with the swing arm installed you will have the rubber boot in a way. Plus, no access to the torque wrench with the boot there. I'd install the engine, then the shaft, slip on the boot and then the swing arm.
0ne thing I'd suggest and it would potentially make things easier, but it's not a 'must'. If you remove the swig arm (it should be easy as all is fresh now and be just a 5 minutes job), it will be much easier to attach the drive shaft, especially that with the swing arm installed you will have the rubber boot in a way. Plus, no access to the torque wrench with the boot there. I'd install the engine, then the shaft, slip on the boot and then the swing arm.
Please Log in or Create an account to join the conversation.
- McBoney
-
Topic Author
- Offline
- Platinum Member
-
- Posts: 561
- Thanks: 87
Re: Another basket case project, but with potentially a different end goal!
5 years 10 months ago
Yeah, I did think of that, but I have no way to install the engine without wheels... and even if I could, the whole lump becomes pretty unmanageable.
I have a plan for accessing the bolts with the rubber boot in place... an extra pair of hands!
Paul
I have a plan for accessing the bolts with the rubber boot in place... an extra pair of hands!
Paul
Six-Pot-Cafe in the making...
Please Log in or Create an account to join the conversation.
- McBoney
-
Topic Author
- Offline
- Platinum Member
-
- Posts: 561
- Thanks: 87
Re: Another basket case project, but with potentially a different end goal!
5 years 10 months ago - 5 years 10 months ago
Its been a while since any progress has been made.
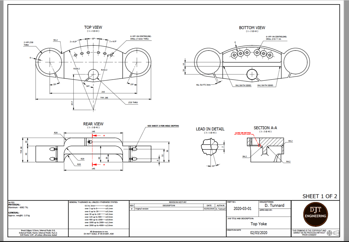
My tyres have still not arrived, but finally I have had the drawing of my top yoke back. The guy (I found him on peopleperhour) did a fantastic job of interpreting my rough drawings with measurements into a proper tech drawing. Based on that he also created a 3D CAD file which can now be used to mill a block of aluminum (or steel) to create my bespoke top yoke. Benelli front suspension and bottom yoke married to a bespoke top yoke through the original Kawasaki steering pin.
Once I have the yoke and the wheels I can progress the build again...
Paul
My tyres have still not arrived, but finally I have had the drawing of my top yoke back. The guy (I found him on peopleperhour) did a fantastic job of interpreting my rough drawings with measurements into a proper tech drawing. Based on that he also created a 3D CAD file which can now be used to mill a block of aluminum (or steel) to create my bespoke top yoke. Benelli front suspension and bottom yoke married to a bespoke top yoke through the original Kawasaki steering pin.
Once I have the yoke and the wheels I can progress the build again...
Paul
Six-Pot-Cafe in the making...
Last edit: 5 years 10 months ago by McBoney.
The following user(s) said Thank You: zed_thirteen
Please Log in or Create an account to join the conversation.
- McBoney
-
Topic Author
- Offline
- Platinum Member
-
- Posts: 561
- Thanks: 87
Re: Another basket case project, but with potentially a different end goal!
5 years 10 months ago - 5 years 10 months ago
Ugh! Cheapest quote to get this machined was USD380 from a firm in China. Cheapest UK quote was over £400!
That is NOT in the budget, so now going to experiment with existing yokes. I have got a cheap one from an MV Agusta 750 which looks likely to fit with minimal work.
In the meantime my new rear tyre turned up (front still not in stock). I got it mounted and balanced (and annoyed as they chipped my new powder coat!) and got it onto the bike. This is a Bridgestone Battlax BT45, 150mm wide, and if you look at the pics, these fit the swingarm fine with at least 1-2cm clearance.
Once the front tyre arrives and I have sorted the triple tree conundrum (see other thread), the engine can go back into the frame and then it will start looking like a bike again.
That is NOT in the budget, so now going to experiment with existing yokes. I have got a cheap one from an MV Agusta 750 which looks likely to fit with minimal work.
In the meantime my new rear tyre turned up (front still not in stock). I got it mounted and balanced (and annoyed as they chipped my new powder coat!) and got it onto the bike. This is a Bridgestone Battlax BT45, 150mm wide, and if you look at the pics, these fit the swingarm fine with at least 1-2cm clearance.
Once the front tyre arrives and I have sorted the triple tree conundrum (see other thread), the engine can go back into the frame and then it will start looking like a bike again.
Six-Pot-Cafe in the making...
Last edit: 5 years 10 months ago by McBoney.
Please Log in or Create an account to join the conversation.
- scotch
-
- Offline
- Sustaining Member
-
- Posts: 1981
- Thanks: 893
Re: Another basket case project, but with potentially a different end goal!
5 years 10 months ago
Ugh! Cheapest quote to get this machined was USD380 from a firm in China. Cheapest UK quote was over £400!
Having had the Cleaning Tool prototype and a one-of '"Spin-on Oil-Filter Adapter/Cooler" done CNC - THAT'S CHEAP !
Having had the Cleaning Tool prototype and a one-of '"Spin-on Oil-Filter Adapter/Cooler" done CNC - THAT'S CHEAP !
1980 KZ 1300 sr# KZT30A-009997
Always High - Know Fear !
Always High - Know Fear !
Please Log in or Create an account to join the conversation.
Moderators: dcarver220b
Time to create page: 0.175 seconds
