Another surprise
- Kawboy
-
- Offline
- Sustaining Member
-
- Posts: 3220
- Thanks: 1186
Re: Another surprise
7 years 11 months ago
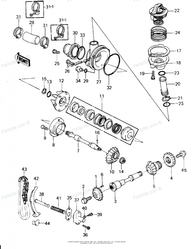
Just throwing this out there for consideration. There's a dowel pin on the water pump drive shaft item #16 in the drawing. Not saying thaat what you're showing is that pin. I haven't dove into this area yet, but judging by the size, it's not out of the question. It would be nice to know just how far the previous owner got in to it before deciding the repair was too much for him then selling the basket case. Any chance you could call him?
Please Log in or Create an account to join the conversation.
- Kawboy
-
- Offline
- Sustaining Member
-
- Posts: 3220
- Thanks: 1186
Re: Another surprise
7 years 11 months ago
Here's another one and this one gets my vote. Item #7, one of the five pins on the gear change drum.
Please Log in or Create an account to join the conversation.
- dmerc
-
Topic Author
- Offline
- Junior Member
-
- Posts: 21
- Thanks: 1
Re: Another surprise
7 years 11 months ago - 7 years 11 months ago
I checked that right away. All six pins are there. They also mic out at 4mm, a little bigger. The #6 pin on the water pump drive is also there. I'll check for the #16 pin on the water pump drive. Thanks for the blow ups. It doesn't look like the previous owner got any farther than splitting the cases and removing the one bad rod/piston assy. No way to contact the previous owner. This bike has gone through several hands.
Last edit: 7 years 11 months ago by dmerc.
Please Log in or Create an account to join the conversation.
Moderators: scotch
Time to create page: 0.164 seconds
